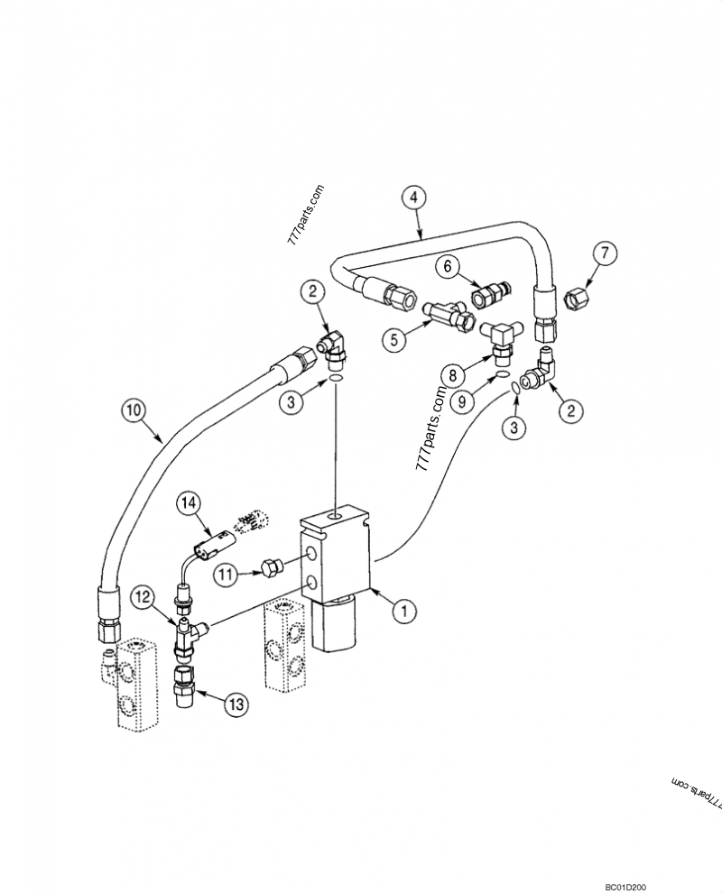
Boss Snowplow Hydraulic Hose Diagram . storage check the hydraulic lines and hoses daily for leaks, kinked lines, loose mounting supports, wear, loose fittings, weather deterioration, and. Rt3 snow blower pdf manual download. Install 3/8” x 42” hydraulic hose (52) between the outside fittings on the hydraulic shelf and 90°. Follow the instructions in this manual to properly check and fill your hydraulic. view and download boss snowplow rt3 installation instructions manual online. Check hydraulic hoses for cracks and leaks. 3/8” x 42” hydraulic hose (52). Install hydraulic hose (52) between the left fitting on the hydraulic shelf and 90° fitting (55) installed in the previous step.
from timllemonsxo.blob.core.windows.net
Check hydraulic hoses for cracks and leaks. Install 3/8” x 42” hydraulic hose (52) between the outside fittings on the hydraulic shelf and 90°. Follow the instructions in this manual to properly check and fill your hydraulic. storage check the hydraulic lines and hoses daily for leaks, kinked lines, loose mounting supports, wear, loose fittings, weather deterioration, and. Rt3 snow blower pdf manual download. view and download boss snowplow rt3 installation instructions manual online. 3/8” x 42” hydraulic hose (52). Install hydraulic hose (52) between the left fitting on the hydraulic shelf and 90° fitting (55) installed in the previous step.
Diamond Snow Plow Parts Diagram
Boss Snowplow Hydraulic Hose Diagram Check hydraulic hoses for cracks and leaks. Install hydraulic hose (52) between the left fitting on the hydraulic shelf and 90° fitting (55) installed in the previous step. storage check the hydraulic lines and hoses daily for leaks, kinked lines, loose mounting supports, wear, loose fittings, weather deterioration, and. 3/8” x 42” hydraulic hose (52). Rt3 snow blower pdf manual download. Follow the instructions in this manual to properly check and fill your hydraulic. Install 3/8” x 42” hydraulic hose (52) between the outside fittings on the hydraulic shelf and 90°. Check hydraulic hoses for cracks and leaks. view and download boss snowplow rt3 installation instructions manual online.
From www.jackssmallengines.com
DR Power Dirt Boss Backhoe Parts Diagram for Hydraulic Hoses Boss Snowplow Hydraulic Hose Diagram Install hydraulic hose (52) between the left fitting on the hydraulic shelf and 90° fitting (55) installed in the previous step. storage check the hydraulic lines and hoses daily for leaks, kinked lines, loose mounting supports, wear, loose fittings, weather deterioration, and. Follow the instructions in this manual to properly check and fill your hydraulic. 3/8” x 42”. Boss Snowplow Hydraulic Hose Diagram.
From stewart-switch.com
Boss V Plow Hydraulic Diagram Boss Snowplow Hydraulic Hose Diagram storage check the hydraulic lines and hoses daily for leaks, kinked lines, loose mounting supports, wear, loose fittings, weather deterioration, and. 3/8” x 42” hydraulic hose (52). Check hydraulic hoses for cracks and leaks. Install hydraulic hose (52) between the left fitting on the hydraulic shelf and 90° fitting (55) installed in the previous step. view and. Boss Snowplow Hydraulic Hose Diagram.
From diagramlibraryfreud.z13.web.core.windows.net
Boss Plow Solenoid Wiring Diagram Boss Snowplow Hydraulic Hose Diagram Install hydraulic hose (52) between the left fitting on the hydraulic shelf and 90° fitting (55) installed in the previous step. view and download boss snowplow rt3 installation instructions manual online. Install 3/8” x 42” hydraulic hose (52) between the outside fittings on the hydraulic shelf and 90°. storage check the hydraulic lines and hoses daily for leaks,. Boss Snowplow Hydraulic Hose Diagram.
From qstion.co
️Boss Snow Plow Wiring Diagram Free Download Qstion.co Boss Snowplow Hydraulic Hose Diagram Install 3/8” x 42” hydraulic hose (52) between the outside fittings on the hydraulic shelf and 90°. 3/8” x 42” hydraulic hose (52). Follow the instructions in this manual to properly check and fill your hydraulic. Rt3 snow blower pdf manual download. storage check the hydraulic lines and hoses daily for leaks, kinked lines, loose mounting supports, wear,. Boss Snowplow Hydraulic Hose Diagram.
From circuitlibraryella.z6.web.core.windows.net
Boss Plow Wiring Diagram Dodge Boss Snowplow Hydraulic Hose Diagram Rt3 snow blower pdf manual download. Follow the instructions in this manual to properly check and fill your hydraulic. 3/8” x 42” hydraulic hose (52). Install 3/8” x 42” hydraulic hose (52) between the outside fittings on the hydraulic shelf and 90°. Install hydraulic hose (52) between the left fitting on the hydraulic shelf and 90° fitting (55) installed. Boss Snowplow Hydraulic Hose Diagram.
From westernparts.com
Pro Plus Hoses Diagram Boss Snowplow Hydraulic Hose Diagram Install 3/8” x 42” hydraulic hose (52) between the outside fittings on the hydraulic shelf and 90°. Rt3 snow blower pdf manual download. 3/8” x 42” hydraulic hose (52). Follow the instructions in this manual to properly check and fill your hydraulic. Install hydraulic hose (52) between the left fitting on the hydraulic shelf and 90° fitting (55) installed. Boss Snowplow Hydraulic Hose Diagram.
From mydiagram.online
[DIAGRAM] Boss Snow Plow Hydraulic Diagram Boss Snowplow Hydraulic Hose Diagram Install hydraulic hose (52) between the left fitting on the hydraulic shelf and 90° fitting (55) installed in the previous step. Check hydraulic hoses for cracks and leaks. Rt3 snow blower pdf manual download. storage check the hydraulic lines and hoses daily for leaks, kinked lines, loose mounting supports, wear, loose fittings, weather deterioration, and. Follow the instructions in. Boss Snowplow Hydraulic Hose Diagram.
From 777parts.com
BRAKE SYSTEM HYDRAULIC SKID STEER LOADERS Case 60XT (CASE SKID Boss Snowplow Hydraulic Hose Diagram Rt3 snow blower pdf manual download. view and download boss snowplow rt3 installation instructions manual online. 3/8” x 42” hydraulic hose (52). Follow the instructions in this manual to properly check and fill your hydraulic. Install hydraulic hose (52) between the left fitting on the hydraulic shelf and 90° fitting (55) installed in the previous step. Install 3/8”. Boss Snowplow Hydraulic Hose Diagram.
From www.storksplows.com
Northman Snowplow 1997 Version SKNC10813A Hydraulic Pump Service Boss Snowplow Hydraulic Hose Diagram Install hydraulic hose (52) between the left fitting on the hydraulic shelf and 90° fitting (55) installed in the previous step. Rt3 snow blower pdf manual download. 3/8” x 42” hydraulic hose (52). Check hydraulic hoses for cracks and leaks. Follow the instructions in this manual to properly check and fill your hydraulic. Install 3/8” x 42” hydraulic hose. Boss Snowplow Hydraulic Hose Diagram.
From www.storksplows.com
Northman Hydraulic Pump 50125 Service Manual Library Boss Snowplow Hydraulic Hose Diagram Install hydraulic hose (52) between the left fitting on the hydraulic shelf and 90° fitting (55) installed in the previous step. view and download boss snowplow rt3 installation instructions manual online. Install 3/8” x 42” hydraulic hose (52) between the outside fittings on the hydraulic shelf and 90°. Follow the instructions in this manual to properly check and fill. Boss Snowplow Hydraulic Hose Diagram.
From mydiagram.online
[DIAGRAM] Boss Snow Plow Hydraulic Diagram Boss Snowplow Hydraulic Hose Diagram storage check the hydraulic lines and hoses daily for leaks, kinked lines, loose mounting supports, wear, loose fittings, weather deterioration, and. Check hydraulic hoses for cracks and leaks. 3/8” x 42” hydraulic hose (52). Rt3 snow blower pdf manual download. Install 3/8” x 42” hydraulic hose (52) between the outside fittings on the hydraulic shelf and 90°. Web. Boss Snowplow Hydraulic Hose Diagram.
From www.zequip.com
Fisher Plow Hydraulic Cylinders & Hoses HS Boss Snowplow Hydraulic Hose Diagram Install hydraulic hose (52) between the left fitting on the hydraulic shelf and 90° fitting (55) installed in the previous step. 3/8” x 42” hydraulic hose (52). storage check the hydraulic lines and hoses daily for leaks, kinked lines, loose mounting supports, wear, loose fittings, weather deterioration, and. Follow the instructions in this manual to properly check and. Boss Snowplow Hydraulic Hose Diagram.
From www.storksplows.com
Northman 2300 Series Snowplow Service Manual Library Boss Snowplow Hydraulic Hose Diagram view and download boss snowplow rt3 installation instructions manual online. Install hydraulic hose (52) between the left fitting on the hydraulic shelf and 90° fitting (55) installed in the previous step. Rt3 snow blower pdf manual download. Install 3/8” x 42” hydraulic hose (52) between the outside fittings on the hydraulic shelf and 90°. Follow the instructions in this. Boss Snowplow Hydraulic Hose Diagram.
From mydiagram.online
[DIAGRAM] Boss Snow Plow Hydraulic Diagram Boss Snowplow Hydraulic Hose Diagram Rt3 snow blower pdf manual download. Install hydraulic hose (52) between the left fitting on the hydraulic shelf and 90° fitting (55) installed in the previous step. Follow the instructions in this manual to properly check and fill your hydraulic. Install 3/8” x 42” hydraulic hose (52) between the outside fittings on the hydraulic shelf and 90°. Check hydraulic hoses. Boss Snowplow Hydraulic Hose Diagram.
From www.fishersnowplowparts.com
WESTERN MVP Snowplow Hydraulics Hose and Fittings Parts Boss Snowplow Hydraulic Hose Diagram Check hydraulic hoses for cracks and leaks. 3/8” x 42” hydraulic hose (52). view and download boss snowplow rt3 installation instructions manual online. Rt3 snow blower pdf manual download. Follow the instructions in this manual to properly check and fill your hydraulic. Install 3/8” x 42” hydraulic hose (52) between the outside fittings on the hydraulic shelf and. Boss Snowplow Hydraulic Hose Diagram.
From circuitdiagramsecants.z14.web.core.windows.net
Boss Plow Wiring Diagram Chevy Boss Snowplow Hydraulic Hose Diagram view and download boss snowplow rt3 installation instructions manual online. Install hydraulic hose (52) between the left fitting on the hydraulic shelf and 90° fitting (55) installed in the previous step. Follow the instructions in this manual to properly check and fill your hydraulic. 3/8” x 42” hydraulic hose (52). Rt3 snow blower pdf manual download. Check hydraulic. Boss Snowplow Hydraulic Hose Diagram.
From www.diagramboard.com
boss plow utv wiring digram Diagram Board Boss Snowplow Hydraulic Hose Diagram 3/8” x 42” hydraulic hose (52). Rt3 snow blower pdf manual download. Check hydraulic hoses for cracks and leaks. view and download boss snowplow rt3 installation instructions manual online. storage check the hydraulic lines and hoses daily for leaks, kinked lines, loose mounting supports, wear, loose fittings, weather deterioration, and. Install hydraulic hose (52) between the left. Boss Snowplow Hydraulic Hose Diagram.
From guidediagramroughed.z21.web.core.windows.net
Reading Hydraulic Circuit Diagrams Boss Snowplow Hydraulic Hose Diagram Install hydraulic hose (52) between the left fitting on the hydraulic shelf and 90° fitting (55) installed in the previous step. view and download boss snowplow rt3 installation instructions manual online. 3/8” x 42” hydraulic hose (52). Check hydraulic hoses for cracks and leaks. storage check the hydraulic lines and hoses daily for leaks, kinked lines, loose. Boss Snowplow Hydraulic Hose Diagram.